APPRENTISSAGE

Récapitulatif :

De septembre 2024 à août 2025, j'ai été apprenti chez le groupe APB : AMP Industries - ProdOptima Industries - Barthel Electricité Industrielle. Le groupe est situé à Anais, à une quinzaine de kilomètres au nord d'Angoulême. Elle emploit près de trente salariés en moyenne. Et accueil fréquement des stagiaires, des apprentis ainsi que des intérimaires.

J'ai connu l'entreprise par le biais d'une offre d'apprentissage, diffusée par Corinne Dupouy sur nos adresses universitaires. Mon maître d'apprentissage était monsieur Caparros et mon professeur tuteur monsieur Paillot.

Présentation du groupe :

AMP Industries s'occupe de l'usinage de pièces sur mesure et des ensembles et équipements mécaniques. Elle est équipée de quatre centres d'usinage numériques, six tours numériques, trois tours traditionnels, trois machines d'électroérosion à fil, deux machines d'électroérosion par enfonçage, une aléseuse, deux tailleuses traditionnelles, deux rectifieuses, des perceuses, des scies...

Barthel Electricité Industrielle s'occupe de la maintenance électrique industrielle. Ce département est géré par monsieur Caparros. Il intervient en maintenance préventive et curative sur site et effectue les diagnostics, les réparations et les interventions électriques nécessaires au bon fonctionnement des équipements et postes de travail.

Prod Optima Industries s'occupe de la maintenance en dehors des heures de production. Elle intervient notamment de nuit et les weekends. Ce service est dirigé par Julien Lussot.

Rapport d'alternance :



Diaporama :

Version Power Point

Chantier 1 - Tirage de câbles :

Mission :

Pour mon premier chantier, j'ai eu l'occasion de tirer presque 8 kilomètres de câbles, pour l'entreprise MMP Packetis qui s'occupe de l'impression de notices et de boîtes de médicaments, autour d'Angoulême. Un des défis de cette mission, fût le fait qu'elle se faisait pendant la production de l'usine. De ce faite, il fallait faire très attention à ne pas endommager les produits des machines.

MMP :

MMP Packetis est l'un des principaux fabricants d'étuis en carton et de notices d'emballages pharmaceutiques.

Chantier 2 - Nettoyage de postes basse tension :

Mission :

Pour mon second chantier, j'ai du m'occuper du nettoyage de l'intérieur de plusieurs postes TGBT présents dans l'entreprise Rousselot, située à Angoulême. Rousselot est une grande entreprise française, spécialisée dans la création de collagène, à base de peau de cochon, de poisson et de vache.

J'ai passé le balais et la tête de loup pour enlever les toiles d'arraignée. Bien que ce ne soit une compétence GEII, j'étais pour la première fois très content de faire quelque chose. En témoigne les éloges que j'ai reçu du fait que le nettoyage du poste le plus sale ait été entièrement nettoyé par mes soins.

Poste basse tension #1 Poste basse tension #2 Poste basse tension #3

Rousselot :

Crée en 1891, Rousselot est le plus grand fabricant de gélatine et de collagène. L'entreprise fabrique alors ses produits sur le site d'Angoulême et en fait son site historiques. En 2020, une extension au site, dédiée à Peptan, voit le jour. Un tuyau aérien passant au-dessus de la route permet de lier les deux usines.

Chantier 3 - Entretien d'un transformateur haute tension :

Mission :

J'ai été amené à assister à l'entretien d'un transformateur haute tension, avec une vérification des fusibles et une mise hors tension du système. L'énergie du transformateur vient d'un moulin à eau, qui permet de donner de l'électricité à une petite ferme en pleine campagne charentaise.

Mise hors tension du transformateur Intérieur du transformateur #1 Intérieur du transformateur #2 Turbine #1 Turbine #2 Turbine #3 Pompe à eau
Vidéo Intérieur du transformateur #3 Salle technique Intérieur du transformateur #4

Chantier 4 - Remise à neuf d'une machine :

Mission :

Pour mon troisième chantier, j'ai eu pour la toute première fois l'occasion de travail en autonomie. Je me suis occupé de la restauration d'une machine emballant de la Javel dans des bouteilles. Dans un premier temps, j'ai réalisé le schéma actuel de la machine, pour tenter de comprendre son fonctionnement. Puisque je n'en savais rien.

Ensuite, il fallait mettre à jour ce schéma de câblage. La machine étant assez âgée, elle ne répond plus aux normes de sécurité actuelles. Je me suis donc renseigné sur les différents dispositifs à mettre en place.

Empaqueteuse - Coffret électrique Empaqueteuse - Borniers électrique Empaqueteuse - Fusibles Empaqueteuse - Disjoncteurs moteurs Empaqueteuse - Contacteurs Empaqueteuse - Partie commande

Etablissements Pintaud :

La société Pintaud confectionne de l'eau de Javel, distribuée sous plusieurs marques : Bec, J-Net, La Triomphante... Tout commence en 1923 avec la naissance de l'eau de Javel du Docteur en Charente.

Emballages Plastiques 16 :

Juste à côté, se trouve la société EP 16 ou Emballages Plastiques 16, qui confectionne les bouteilles en plastique. Ces bouteilles sont acheminées à l'autre usine via un tuyeau dans lequel les bouteilles sont propulsées.

Vidéo Vidéo Vidéo Vidéo Vidéo Vidéo

Chantier 5 - Élaboration d'un système de ventilation :

Mission :

Pour mon quatrième chantier, je devais installer un nouveau système de ventilation pour l'entreprise Sopelpa (Janoschka Graphics), en réutilisant un système de ventilation déjà présent. Mon tuteur m'a laissé me débrouiller tout seul pour effectuer cette mission. J'ai réalisé le devis pour Sopelpa, que j'ai envoyé.

Ventilation côté extérieur Moteur Ventilation côté intérieur Ventilation côté intérieur Ventilation côté intérieur

Sopelpa :

L'entreprise Sopelpa s'occupe de la fabrication de rouleaux d'impression pour diverses enseignes alimentaires, cosmétiques... Chaque rouleau correspond à une couleur. Lors du bureau d'étude, l'emballage finale avec les couleurs est séparé en plusieurs couches.

Machines de cuivrage #1 Machines de cuivrage #2 Machines de cuivrage #3 Aération des vapeurs chimiques Plan du site

Chantier 6 - Installation d'un éclairage et de prises :

Pour mon cinquième chantier, le dirigent du groupe qui m'emploi m'a demandé d'installé un luminaire, ainsi que deux prises dans la partie atelier d'AMP, afin de faciliter l'expédition et la réception des commandes. Pour cette mission, j'ai travaillé en totale autonomie, du choix du matériel à l'installation de ce dernier.

Afin de vérifier le bon fonctionnement de la prise, il faut utiliser un voltmètre et mesurer les tensions entre phase - neutre, phase - terre et neutre - terre. Les tensions étant correctes, elles sont alors fonctionnelles.

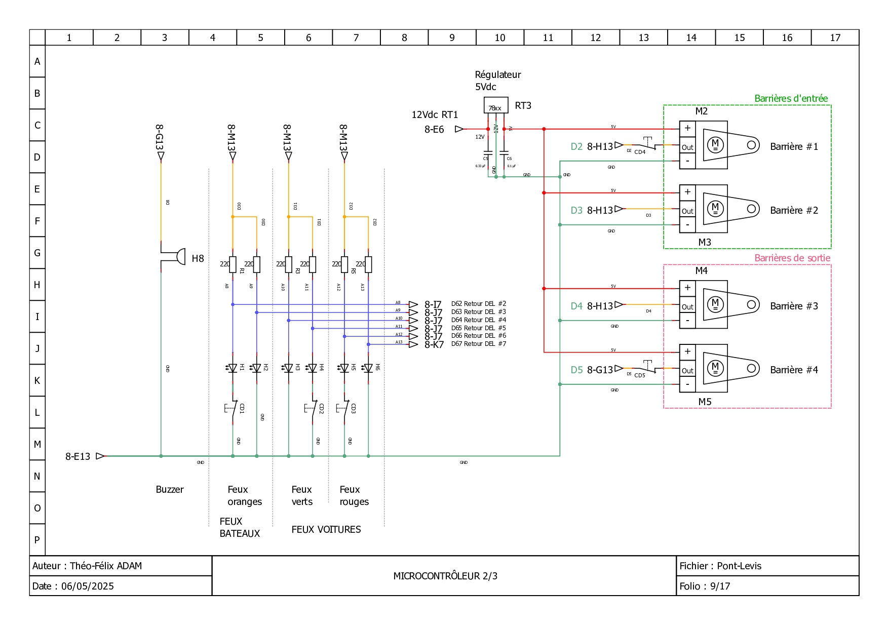
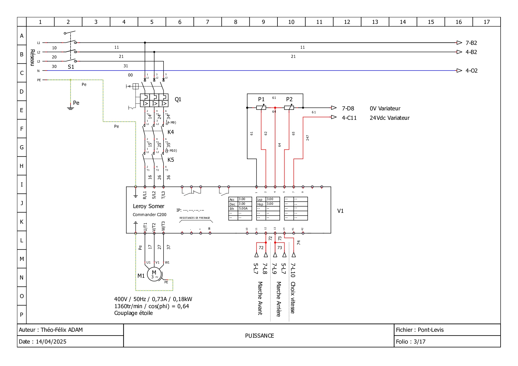
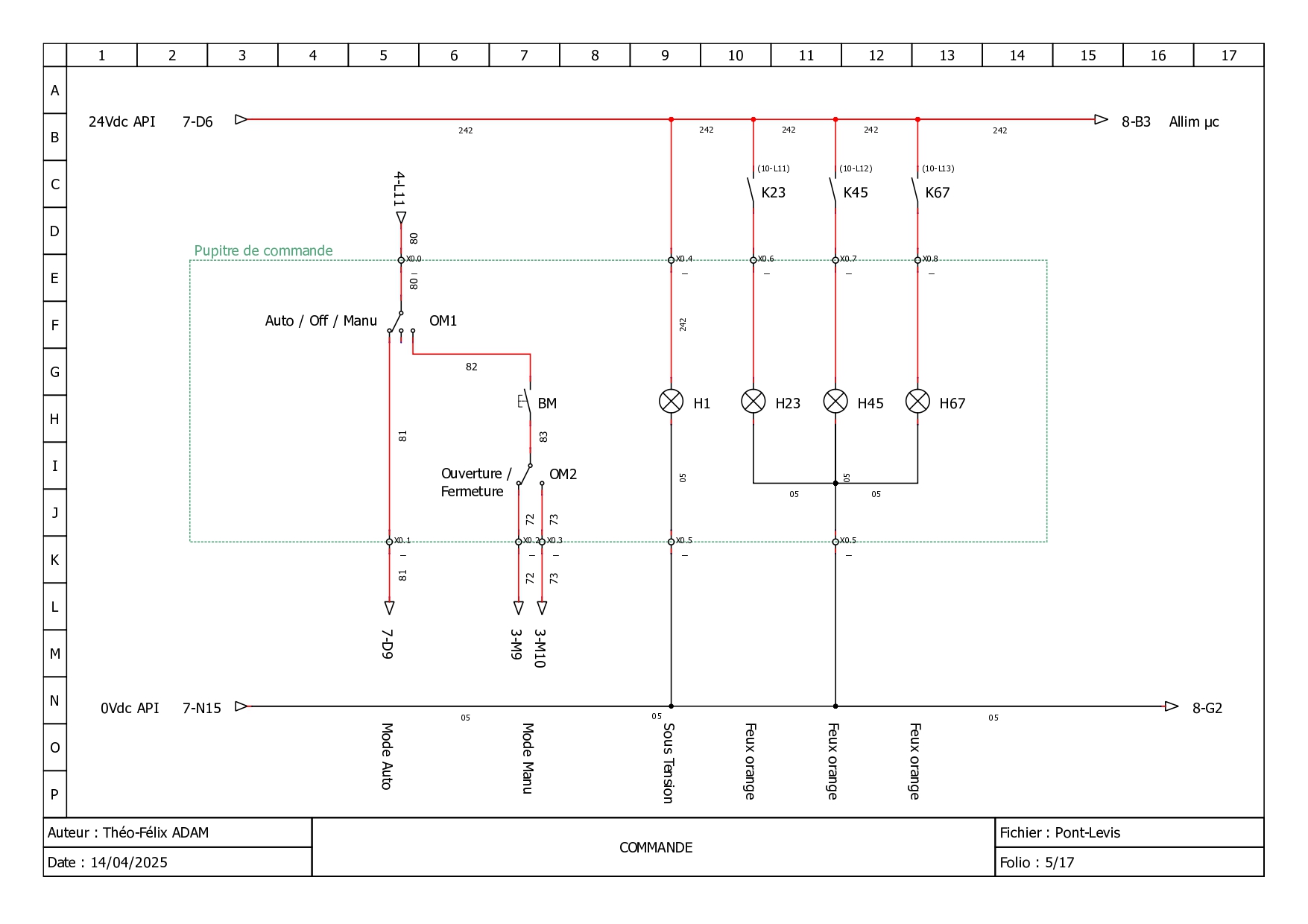
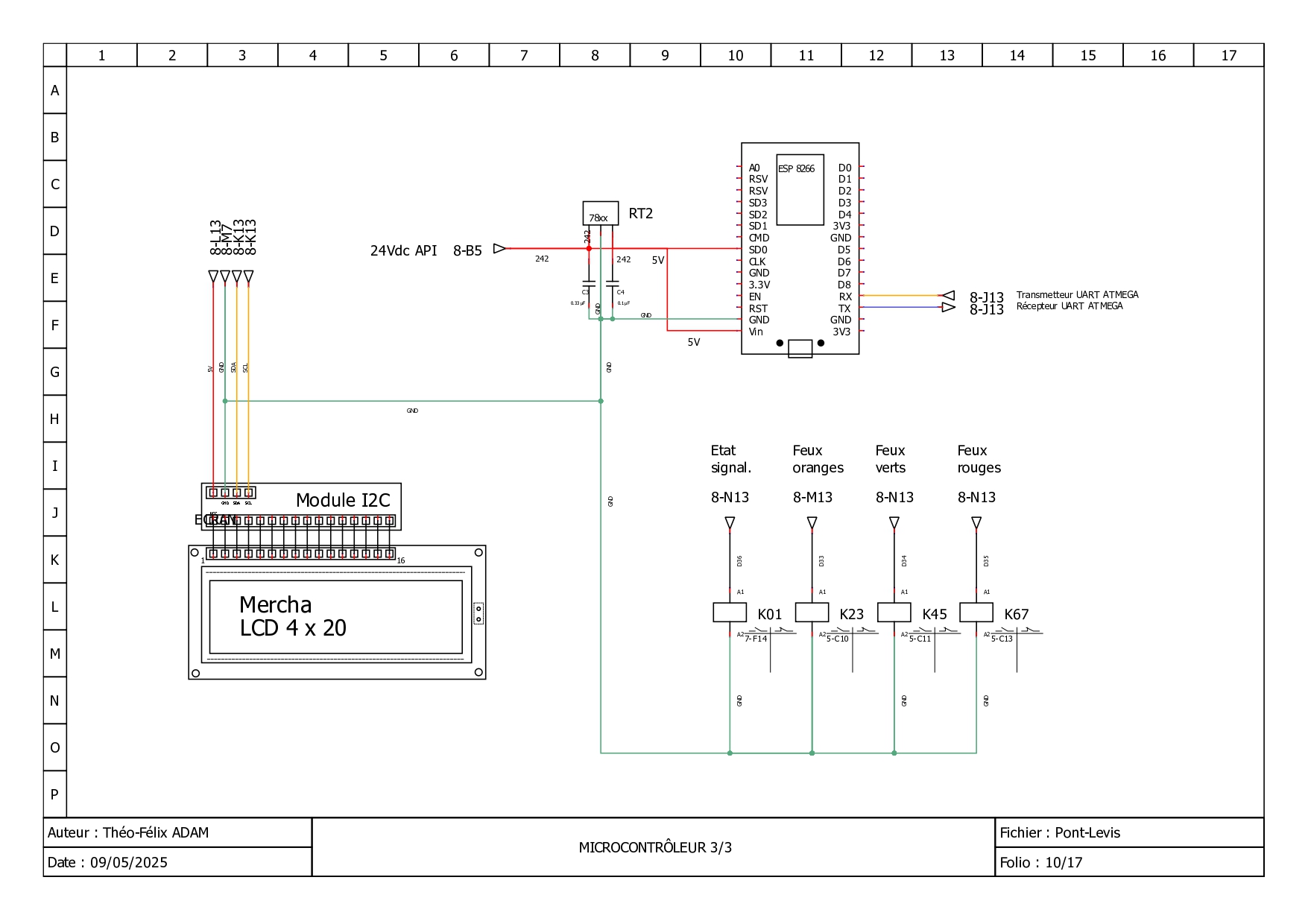
Chantier 7 - Projet de démonstrateur pour l'entreprise :

Monsieur Bataille a demandé à moi et à Rémi Shanmugam (un autre alternant en GEII) de créer un démonstrateur des trois entreprises. Pour rappelle, AMP s'occupe de l'usinage, ProdOptima de la maintenance préventive et Barthel de l'électricité.

Image du signal Image du signal Image du signal Image du signal Image du signal

Livraisons :

Un de mes rôles en tant qu'apprenti est également de faire la livraison de plusieurs équipements. Notamment chez MEI à Nersac pour les équipements électroniques ou bien chez Sabatier à Nersac pour la mise au rebut.

Renault Mégane II Renault Mégane II - Compteur Renault Mégane II




Version en date du 11/04/2026 par Théo-Félix ADAM.